



In this chapter, we delve into the world of oscillator circuits and phase-locked loops (PLLs), fundamental components in electronic systems, particularly in frequency generation and control. The chapter begins by exploring different types of oscillators – Hartley, Colpitts, and Pierce – each distinguished by its unique method of coupling positive feedback to the input. For instance, the Hartley oscillator utilizes a tapped coil, while the Colpitts and Pierce oscillators use a capacitive divider and capacitive coupling, respectively. These mechanisms are crucial for maintaining the continuous oscillations needed in various applications. The chapter also discusses the importance of stability in oscillators, especially in variable frequency oscillators (VFOs) and PLL frequency synthesizers. Understanding the principles behind these oscillators, including how they manage feedback and ensure stability, is essential for anyone involved in designing or working with electronic circuits, particularly in communication and signal processing.
Be sure to login to your hamshack.ca account to track your progress by clicking the [Mark Complete] Button at the bottom of each lesson. You can contact VE7DXE to sign-up for the new Basic Amateur course.
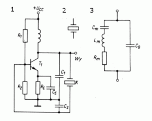
Coupling Mechanism in Hartley Oscillator: Question A-005-001-001 inquires about the method of coupling positive feedback to the input in a Hartley oscillator. The correct answer, B. Through a tapped coil, explains that in Hartley oscillators, a coil with a tap provides the feedback necessary to sustain oscillations. This tap effectively splits the coil, allowing a portion of the inductor to be used in the feedback path. The tapped coil configuration is akin to a self-sustaining system, where part of the output is looped back to keep the process ongoing, essential for the continuous generation of a stable oscillation frequency.
Parallels:
Question Summary and Key Takeaways:

Feedback Mechanism in Colpitts Oscillator: Question A-005-001-002 focuses on how positive feedback is coupled to the input in a Colpitts oscillator. The answer, A. Through a capacitive divider, explains that in Colpitts oscillators, a capacitive divider, consisting of two or more capacitors in series, is used to provide the necessary feedback. This setup creates a phase shift and feedback loop, critical for sustaining oscillations. The capacitive divider can be likened to a balancing act, where the right division of the signal ensures a continuous back-and-forth motion, akin to a well-timed swing, enabling the oscillator to produce a stable waveform.
Parallels:
Question Summary and Key Takeaways:

Feedback System in Pierce Oscillator: In Question A-005-001-003, the method of coupling positive feedback in a Pierce oscillator is explored. The correct response, C. Through capacitive coupling, highlights that Pierce oscillators use capacitive coupling to provide the necessary feedback for oscillation. This method involves a capacitor in the feedback path, creating a loop that ensures the continuous operation of the oscillator. The capacitive coupling acts as a conduit for the signal, akin to a hidden passageway, maintaining the flow and consistency of the oscillation, essential for precise frequency generation in applications like crystal oscillators.
Parallels:
Question Summary and Key Takeaways:

Colpitts Oscillator in Variable Frequency Oscillators: Question A-005-001-004 asks why the Colpitts oscillator circuit is commonly used in Variable Frequency Oscillators (VFOs). The answer, C. It is stable, points out the key reason for its popularity: stability. The Colpitts oscillator is known for its reliable performance, maintaining a constant frequency even under varying conditions. This stability is crucial in VFOs, as it allows for precise tuning across a range of frequencies without drifting, much like a well-balanced spinning top that maintains its position despite external influences. This characteristic makes it an ideal choice in applications where frequency accuracy and consistency are paramount.
Parallels:
Question Summary and Key Takeaways:
Importance of a Stable Reference Oscillator in PLLs: Question A-005-001-005 explores why a highly stable reference oscillator is crucial in a Phase-Locked Loop (PLL) frequency synthesizer. The correct answer, C. Any phase variations in the reference oscillator signal will produce phase noise in the synthesizer output, highlights the impact of the reference oscillator’s stability on the synthesizer’s output quality. In a PLL, the reference oscillator sets the standard against which the synthesizer operates. Any instability or phase variation in this reference can lead to phase noise, adversely affecting the output signal’s purity and clarity. This stability is akin to the steady beat of a drum in a band, ensuring that all instruments (synthesized frequencies) stay in rhythm and harmony.
Parallels:
Question Summary and Key Takeaways:

Identifying Colpitts Oscillators: Question A-005-001-006 asks about identifying the type of oscillator that uses positive feedback from a capacitive divider. The answer, B. Colpitts, indicates that the Colpitts oscillator is characterized by this specific feedback mechanism. The capacitive divider, typically consisting of two or more capacitors, creates the necessary phase shift for sustained oscillations. This setup is a defining feature of Colpitts oscillators, allowing them to generate stable and reliable signals, much like a well-tuned instrument in an orchestra that consistently produces the right notes.
Parallels:
Question Summary and Key Takeaways:
Capacitor Choice for Stability in RF Oscillators: In Question A-005-001-007, the focus is on selecting capacitors for high stability in RF oscillator circuits. The correct answer, A. Silver mica, underscores the preference for silver mica capacitors in such applications. These capacitors are chosen for their excellent stability and low loss characteristics, essential in maintaining a consistent frequency in high-stability RF oscillators. Silver mica capacitors are akin to precision instruments in an orchestra, where accuracy and consistency are key to the overall performance.
Parallels:
Question Summary and Key Takeaways:

Positive Feedback in Pierce Oscillators: Question A-005-001-008 queries about the oscillator type where positive feedback is achieved through a single capacitor in series with a crystal. The correct answer, D. Pierce, identifies the Pierce oscillator, distinguished by this specific feedback arrangement. The combination of a crystal and a capacitor in the feedback loop is a hallmark of the Pierce oscillator, facilitating stable and precise frequency generation. This configuration can be likened to a finely calibrated machine where each component plays a critical role in ensuring optimal performance.
Parallels:
Question Summary and Key Takeaways:
Positive Feedback in Variable-Frequency Oscillators: Question A-005-001-009 addresses the role of positive feedback in certain circuits. The answer, B. Variable-frequency oscillator, highlights that circuits relying on positive feedback, such as Variable Frequency Oscillators (VFOs), use this mechanism for continuous tuning across a range of frequencies. Positive feedback in VFOs allows the oscillator to adjust its frequency smoothly and continuously, akin to a musician smoothly transitioning between notes on an instrument. This feature is crucial in applications like radio communication, where tuning across different frequencies is required.
Parallels:
Question Summary and Key Takeaways:
Oscillator and Amplifier in CW Transmitters: Question A-005-001-010 explores the apparatus comprising an oscillator and a class C amplifier. The correct answer, C. A two-stage CW transmitter, identifies this combination as typically found in Continuous Wave (CW) transmitters used for Morse code communication. The oscillator generates the carrier wave, while the class C amplifier boosts the signal for transmission. This setup is analogous to a musical performance where one instrument creates the melody and another amplifies it for the audience.
Parallels:
Question Summary and Key Takeaways:
Feedback in Pierce Oscillators: Question A-005-001-011 explores the type of feedback mechanism used in a Pierce oscillator. The answer, C. Pierce, indicates that positive feedback is provided through a capacitor in series with a crystal. This unique configuration characterizes the Pierce oscillator, which is widely used in crystal oscillator circuits. The capacitor, in conjunction with the crystal, forms a resonant circuit that provides the necessary feedback for oscillation. This setup is crucial for maintaining a stable and precise frequency, making the Pierce oscillator a popular choice in applications where accuracy is key, such as in clock circuits and communication systems.
Parallels:
Question Summary and Key Takeaways:
Throughout this chapter, we’ve gained a comprehensive understanding of several types of oscillators and their roles in electronic systems. We explored the unique feedback mechanisms of Hartley, Colpitts, and Pierce oscillators, each contributing to the generation of stable and consistent oscillations. The use of tapped coils, capacitive dividers, and capacitive coupling in these oscillators underscores the diversity of techniques employed to achieve desired oscillatory behavior. We also examined why stability is a key attribute in Colpitts oscillators when used in VFOs and the critical role of a stable reference oscillator in PLL frequency synthesizers to avoid phase noise. Additionally, we discussed the significance of silver mica capacitors in high-stability RF oscillators and the identification of oscillator types based on their feedback mechanisms. This exploration not only enhances our understanding of oscillator circuits and PLLs but also highlights their indispensable role in modern electronic applications, from basic signal generation to complex communication systems.
© Hamshack.ca. All lesson content, diagrams, and quizzes are proprietary and protected by copyright. Access is for personal use only and requires a valid course purchase where applicable. Copying, sharing, or redistributing any material is strictly prohibited. Embedded third-party videos are provided for educational reference only and remain the property of their respective creators and platforms.
See the Hamshack.ca Terms of Use for full details.