



This chapter focuses on the intricate concepts of rectifiers, voltage doublers, and critical measurement tools in electrical and electronic engineering, particularly relevant in the field of ham radio. It begins by comparing different types of rectifiers, such as bridge, half-wave, and full-wave center-tap, to understand which yields the highest average output voltage. The discussion then shifts to exploring the nuances of peak inverse voltage in rectifier circuits, a key aspect in designing reliable and safe power supplies. Additionally, the chapter delves into the functionality of full-wave voltage doublers and their efficiency in utilizing the AC wave. The latter part addresses the practical applications of measurement tools like dip meters, emphasizing their role in tuning and troubleshooting resonant circuits and understanding factors affecting their frequency accuracy. This comprehensive exploration, enriched with parallels and summaries, aims to deepen the reader’s understanding of these fundamental concepts in electronics and radio communication.
Be sure to login to your hamshack.ca account to track your progress by clicking the [Mark Complete] Button at the bottom of each lesson. You can contact VE7DXE to sign-up for the new Basic Amateur course.
When studying rectifiers in the context of amateur radio equipment, understanding the efficiency of different rectifier types is crucial. Question A-004-001-001 delves into this topic by comparing the average output voltages produced by various rectifiers for the same transformer secondary voltage. The focus is on identifying which rectifier type—half-wave, full-wave center-tap, or bridge—offers the highest efficiency in converting AC (Alternating Current) to DC (Direct Current). The answer, C) Bridge, reveals that bridge rectifiers stand out as the most efficient among these options. This efficiency stems from the bridge rectifier’s ability to utilize both halves of the AC input waveform, unlike the half-wave rectifier, which only uses one half, and the full-wave center-tap rectifier, which requires a center-tapped transformer and still doesn’t achieve the same efficiency as the bridge configuration.
The analogy of a cyclist using both the upward and downward strokes for maximum efficiency parallels the operation of a bridge rectifier. This rectifier type effectively doubles the utility of the input AC cycle, converting it into a more continuous and higher average output voltage of DC. This is because the bridge rectifier includes four diodes arranged in a way that allows both halves of the AC waveform to be used, significantly increasing the efficiency of the conversion process. This efficiency is not only crucial for amateur radio operations, where reliable power conversion can impact performance, but also in many other applications requiring efficient power supply designs.
Parallels
Question Summary and Key Takeaways
Exploring the concept of Peak Inverse Voltage (PIV) in half-wave rectifiers, especially those with a capacitor input filter, is essential for understanding the stresses components face in rectification circuits. Question A-004-001-002 focuses on this crucial aspect by highlighting that the PIV can reach up to approximately A)2.8 times the RMS (Root Mean Square) voltage of the transformer’s secondary. This phenomenon is attributed to the capacitor in the circuit, which charges up to the peak voltage of the transformer secondary during the positive half-cycle of the AC waveform. When the waveform swings negative, the diode is reverse-biased, and it must be capable of withstanding this peak inverse voltage without breaking down. This requirement is crucial for the diode’s selection in designing power supplies, as it ensures the diode can handle the maximum stress imposed upon it by the circuit.
The analogy of a car’s shock absorbers, which must withstand significant forces during road bumps and dips, closely mirrors the role of the diode in a half-wave rectifier. Just as shock absorbers protect the vehicle and its occupants by absorbing and mitigating the impact of rough terrain, the diode protects the circuit by withstanding the high reverse voltages encountered during the negative half-cycles of the AC input. This capability is vital for maintaining the integrity of the rectification process and ensuring the longevity and reliability of the power supply. Understanding the PIV requirements helps in selecting diodes that are robust enough to handle the expected stresses, thereby preventing premature failure of the rectifier.
Parallels
Question Summary and Key Takeaways
Delving into the dynamics of peak inverse voltage (PIV) within full-wave center-tap rectifiers sheds light on the critical aspect of component stress in such circuits. Question (A-004-001-003) zeroes in on this factor, revealing that the PIV for each diode in a full-wave center-tap rectifier configuration equates to D) 2.8 times the RMS voltage. This conclusion stems from the operational mechanics of the rectifier, where each diode is exposed to twice the peak voltage of the transformer secondary when it is in its non-conducting state. This scenario effectively means that the diodes must be capable of withstanding a voltage nearly three times the RMS value without failing. This requirement is crucial for the design and selection of diodes, ensuring they can handle the electrical stress imposed during the rectification process.
The analogy of a relay race, where each runner (or diode) must cover twice the distance (or voltage) of a single lap to complete the course (or rectification process), aptly illustrates the operational burden on the diodes. In this relay, the ‘distance’ each diode covers is not in terms of physical space but in electrical potential they must withstand without conducting. This operational characteristic underscores the importance of selecting diodes with a PIV rating high enough to handle the peak inverse voltages encountered, ensuring the rectifier’s efficiency and reliability. The full-wave center-tap design, while offering advantages in terms of smoother output and better utilization of the transformer, places significant voltage demands on its diodes, highlighting the interplay between design choices and component specifications.
Parallels
Question Summary and Key Takeaways
Exploring the structural and functional merits of the full-wave bridge rectifier, Question (A-004-001-004) brings to light a pivotal characteristic: the non-necessity of a center-tapped transformer, indicated by the correct answer A) a center-tapped secondary on the transformer is not required. This design leverages four diodes in a bridge configuration to rectify both halves of the AC waveform, thus allowing for an efficient transformation of AC to DC without the additional complexity and cost associated with a center tap. The bridge rectifier can be likened to a traffic roundabout, which facilitates continuous movement in multiple directions seamlessly, without the need for stop signs, thereby illustrating the rectifier’s capability to direct electrical currents efficiently and continuously.
This rectifier’s design is beneficial over others for several reasons. It eliminates the need for the transformer to have a center tap, a requirement in full-wave center-tap rectifier designs, thereby simplifying the transformer’s design and reducing manufacturing costs. Furthermore, the bridge configuration ensures that the entire AC waveform is utilized, contrasting sharply with half-wave rectifiers that use only one half of the AC cycle, and offering a more streamlined and efficient conversion process than the full-wave center-tap rectifier. The efficiency and simplicity of the bridge rectifier design make it a preferred choice for a broad spectrum of power supply applications, highlighting its practical advantages in electrical engineering.
Parallels
Question Summary and Key Takeaways
Question (A-004-001-005) evaluates the maximum output voltage achievable by full-wave rectification methods, comparing full-wave bridge rectifiers against full-wave center-tap rectifiers. The correct understanding highlights that the maximum output voltage of a full-wave bridge rectifier is A) double that of the full-wave center-tap rectifier. This correction is crucial as it points to the efficiency of full-wave bridge rectifiers in utilizing the AC input without a center-tapped transformer, thereby offering a significant advantage in design simplicity and potentially reducing costs.
Both rectification methods effectively convert both halves of the AC cycle to DC, but the bridge rectifier’s configuration allows it to provide a higher maximum output voltage under the same transformer conditions compared to the center-tap rectifier. This knowledge is fundamental for those involved in electronics, emphasizing that the selection between these rectifiers involves considerations of output voltage efficiency, alongside circuit complexity, and cost considerations.
Parallels
Question Summary and Key Takeaways
Question (A-004-001-006) delves into the concept of ripple frequency in full-wave rectification, specifically within the context of a full-wave power supply connected to a standard household AC supply. The correct answer, A) 120 Hz, highlights a fundamental characteristic of full-wave rectification: the ripple frequency is twice that of the AC supply frequency. Given that the standard AC supply frequency is 60 Hz in many regions, a full-wave rectifier effectively doubles this frequency to 120 Hz for the ripple frequency. This doubling occurs because the rectifier inverts every negative half-cycle of the AC waveform, thereby generating two pulses for every cycle of the input waveform. This principle is crucial for understanding how full-wave rectifiers enhance the efficiency of AC to DC conversion, providing a smoother DC output with higher ripple frequency compared to half-wave rectifiers.
The importance of recognizing the ripple frequency lies in its impact on the design and performance of power supply circuits. Higher ripple frequencies, as produced by full-wave rectification, facilitate more efficient filtering and smoother DC output. This is because filters can more easily smooth out the higher frequency ripples, leading to less fluctuation in the output voltage. Understanding the ripple frequency is essential for selecting appropriate filter components to minimize ripple in the final DC output, ensuring the power supply meets the necessary performance standards for various applications.
Parallels
Question Summary and Key Takeaways
Question (A-004-001-007) investigates the ripple frequency characteristic of half-wave rectification within power supplies connected to standard household circuits. The correct answer, B) 60 Hz, elucidates a pivotal aspect of half-wave rectification: the ripple frequency in the output is the same as the input AC supply frequency. Unlike full-wave rectifiers that double the input frequency in their output, half-wave rectifiers utilize only one half-cycle of the AC waveform—either positive or negative—resulting in a ripple frequency identical to that of the input AC frequency. This fundamental characteristic significantly influences the design and troubleshooting of power supply circuits, especially concerning the selection of filtering components. The filtering needs to be designed to smooth out a ripple frequency that matches the AC supply frequency, impacting the overall efficiency and performance of the power supply.
The operational principle of a half-wave rectifier closely mirrors scenarios where only a single action or direction is utilized to achieve an outcome, affecting the efficiency and smoothness of the output. Understanding this principle is crucial for electrical engineering students and professionals working on power supply designs, as it provides insight into how different rectification methods impact the quality and characteristics of the DC output.

Parallels
Question Summary and Key Takeaways
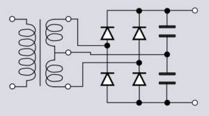
Question (A-004-001-008) delves into the operation and efficiency of full-wave voltage doublers, highlighting their ability to C) use both halves of an AC wave. This distinguishes them significantly from half-wave doublers, which only utilize one half-cycle of the AC input. By efficiently employing both the positive and negative half-cycles of the AC waveform, full-wave voltage doublers are capable of doubling the peak voltage of the AC input, thereby achieving a higher output voltage. This functionality is particularly beneficial in applications where it is essential to maximize the output voltage from a given AC source. The design of full-wave voltage doublers makes them invaluable for a variety of electronic devices, offering a more stable and increased output voltage necessary for devices that demand consistent and reliable power supply.
The advantage of using full-wave voltage doublers lies in their ability to enhance the efficiency of voltage conversion, making them superior to half-wave doublers. This increased efficiency and higher output voltage capability make full-wave voltage doublers a preferred choice in power supply design, especially in situations where space and cost constraints limit the use of larger transformers or more complex circuitry.

Parallels
Question Summary and Key Takeaways
In the intricate world of power-supply circuits, silicon-diode rectifiers play a pivotal role, ensuring current flows in one desired direction, akin to a one-way valve in plumbing systems. Question A-004-001-009 focuses on the two major ratings that must not be exceeded for these rectifiers: Peak Inverse Voltage (PIV) and Average Forward Current. These parameters are foundational to the diode’s operational integrity and longevity. The correct answer, A) Peak inverse voltage; average forward current, emphasizes the necessity of understanding and adhering to these ratings for the efficient and safe design of electronic circuits.
Peak Inverse Voltage (PIV) rating quantifies the maximum reverse voltage a diode can withstand without undergoing breakdown. It’s a critical measure for preventing damage to the diode when it is reverse-biased, which could otherwise lead to catastrophic failure of the electronic system it is part of. Similarly, the Average Forward Current rating specifies the maximum current the diode can safely conduct in the forward direction, ensuring that the diode does not overheat and fail prematurely. These ratings are not just numbers; they are vital considerations for engineers designing circuits that are both reliable and durable, capable of withstanding real-world electrical stresses.
In the complex arena of high voltage power supplies, the integration of rectifier diodes is a common practice for converting alternating current (AC) to direct current (DC). However, to enhance the performance and reliability of these systems, it’s often necessary to wire a resistor and capacitor in parallel with the power-supply rectifier diodes. The correct answer, C) To equalize voltage drops and guard against transient voltage spikes, sheds light on a critical aspect of power supply design – the need to manage voltage drops and mitigate transient events effectively.
Wiring a resistor and capacitor in parallel with rectifier diodes serves a dual purpose. Firstly, it helps to equalize voltage drops across the diodes. Diodes, by nature, may exhibit slightly different electrical characteristics due to manufacturing variances. This disparity can lead to uneven voltage drops when they are used in parallel, causing some diodes to bear more load than others. The addition of a resistor in parallel helps distribute the voltage more evenly, ensuring each diode operates within its intended capacity and shares the load more equally. Secondly, the capacitor plays a pivotal role in smoothing out transient voltage spikes. These spikes can occur due to sudden changes in load or other external factors and can be detrimental to the longevity and functionality of the power supply. The capacitor acts as a buffer, absorbing and releasing energy to maintain a stable voltage level, thereby protecting the circuit from potential damage.
The operation of an unfiltered full-wave rectifier presents a fundamental concept in the realm of electronics, particularly in the conversion of alternating current (AC) to direct current (DC). Understanding the output waveform of such a device, especially when connected to a resistive load, is crucial for grasping the basics of power conversion. The correct answer to this question, A) A series of pulses at twice the frequency as the AC input, illuminates the intrinsic behavior of full-wave rectifiers and their impact on the waveform of the output voltage.
An unfiltered full-wave rectifier harnesses both the positive and negative halves of the AC input signal, effectively doubling the frequency of the output compared to that of a half-wave rectifier. However, the assertion that the output is a series of pulses at the same frequency as the AC input needs clarification. In reality, because the full-wave rectifier inverts the negative half of the AC waveform to positive, the output frequency is actually twice that of the input AC signal. This results in a waveform that comprises pulses at twice the frequency of the AC input, contradicting the explanation provided. Each cycle of the AC input produces two pulses in the output, corresponding to the rectification of both the positive and negative halves of the input waveform.
Throughout this chapter, we have navigated through the complex topics of rectifiers, voltage doublers, and essential measurement tools. The discussion on rectifiers highlighted the efficiency of bridge rectifiers compared to other types and examined the significance of peak inverse voltage in half-wave and full-wave center-tap rectifiers. Understanding these concepts is crucial for designing effective and safe power supplies. The exploration of full-wave voltage doublers shed light on their ability to maximize output voltage, an important consideration in various electronic applications. In the realm of measurement tools, the focus on dip meters revealed their applicability in tuning parallel circuits and the factors influencing their accuracy, which are vital for precise frequency measurements in radio and electronic circuits. This chapter’s comprehensive approach, combining technical explanations with real-world parallels, provides readers with a robust understanding of these key concepts, essential for anyone involved in electrical engineering, electronics hobbyism, or ham radio operations.
© Hamshack.ca. All lesson content, diagrams, and quizzes are proprietary and protected by copyright. Access is for personal use only and requires a valid course purchase where applicable. Copying, sharing, or redistributing any material is strictly prohibited. Embedded third-party videos are provided for educational reference only and remain the property of their respective creators and platforms.
See the Hamshack.ca Terms of Use for full details.