



In the realm of amateur radio, the efficient transfer of power from transmitters to antennas is pivotal, and this chapter meticulously explores antenna tuners and impedance matching circuits, which are central to this process. The chapter begins with an in-depth examination of various antenna tuners, including transformer-type, series-type, L-type, and Pi-type, each characterized by unique configurations and specialized applications. Understanding the operational principles and distinctions among these tuners is crucial for effective impedance matching in diverse radio communication scenarios.
The narrative then shifts to the core concepts of impedance matching networks, particularly focusing on the pi-network and its advanced variant, the pi-L network. These networks, integral to adjusting impedance levels for optimal power transmission, are analyzed for their efficiency and suitability in different amateur radio setups. Additionally, the chapter introduces the Smith Chart, a graphical tool indispensable for addressing impedance matching and transmission line challenges in RF engineering. This comprehensive exploration aims to equip amateur radio operators, especially those progressing towards an Advanced Licence qualification in Canada, with the knowledge and skills necessary to optimize their radio systems for enhanced performance.
Be sure to login to your hamshack.ca account to track your progress by clicking the [Mark Complete] Button at the bottom of each lesson. You can contact VE7DXE to sign-up for the new Basic Amateur course.
In addressing Question A-007-001-001, it’s crucial to understand the differences between transformer-type and Pi-type antenna tuners. The false statement, B. The circuit is known as a Pi-type antenna tuner, highlights a common misconception. Transformer-type tuners are specifically designed to match a broad range of antenna impedances to the standard 50-ohm output of most transmitters. They do this by utilizing a configuration of transformers, which is different from the operational principle of Pi-type tuners.
Pi-type antenna tuners, conversely, use a different configuration, typically involving an inductor and two capacitors, forming the shape of the Greek letter Pi (π). This design is particularly effective in matching a wide range of impedances, including very high or very low values, to a transmitter’s 50-ohm output. Understanding these distinctions is vital for amateur radio operators, as the correct choice of an antenna tuner significantly affects the performance and efficiency of their radio setup. Recognizing the specific applications and limitations of each tuner type enables operators to make informed decisions when configuring their stations.
Parallels:
Question A-007-001-002 challenges a common misunderstanding about series-type antenna tuners. The false statement, D. The circuit is known as a Pi-type antenna tuner, distinguishes series-type tuners from Pi-type tuners. Series-type antenna tuners, known for their simplicity, are specifically designed for matching a range of impedances to a transmitter’s standard 50-ohm output. They achieve this through a series configuration of components, which is fundamentally different from the parallel configuration used in Pi-type tuners. Understanding these differences is key for amateur radio operators to effectively utilize the right type of tuner for their specific needs.
The series-type tuner, due to its design, is particularly suited for situations where the antenna impedance is not excessively high or low. This makes them a popular choice for amateur radio operators who need a straightforward, efficient solution for impedance matching with moderate impedance ranges. Knowing when to use a series-type tuner, as opposed to a Pi-type tuner, can significantly impact the performance and efficiency of a ham radio setup.

Parallels:
Question A-007-001-003 addresses a misconception about L-type antenna tuners. The incorrect statement, C. The circuit is suitable for matching to a vertical ground plane antenna, highlights the need to understand the specific applications and limitations of L-type tuners. L-type tuners are designed with a simple configuration, typically involving a single inductor and a single capacitor. This design makes them suitable for matching impedances in certain scenarios but not universally adaptable, such as for vertical ground plane antennas, which often require a different impedance matching approach.
The L-type tuner is particularly effective
for applications where the impedance mismatch is not extreme. It is often used in scenarios where the antenna impedance is close to the desired impedance, needing only minor adjustments. This tuner type, due to its simplicity, is also valued for its minimal insertion loss. However, its limited range in impedance matching means it is not always the best choice for all antenna types, especially those with significantly different impedances from the transmitter, like many vertical ground plane antennas.

Parallels:
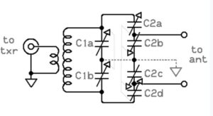
Question A-007-001-004 seeks to clarify a common misunderstanding about Pi-type antenna tuners. The false statement, B. The circuit is a series-type antenna tuner, differentiates Pi-type tuners from series-type tuners. Pi-type tuners are named for their resemblance to the Greek letter Pi (π) in the circuit diagram, consisting of an inductor flanked by two capacitors. This configuration is particularly effective for a wide range of impedance matching, from very low to very high values, which is significantly different from the series configuration used in series-type tuners.
The versatility of the Pi-type tuner lies in its ability to both match impedance and filter out unwanted frequencies, making it a popular choice in complex ham radio setups. Its design allows for efficient power transfer across a wide variety of antenna types and impedance values, a critical aspect for effective radio communication. Understanding the specific design and application of Pi-type tuners is vital for amateur radio operators to optimize their station’s performance.
Parallels:
Question A-007-001-005 addresses the concept of a pi-network, a fundamental element in many antenna tuners and RF circuits. The correct answer, A. A network consisting of one inductor and two capacitors or two inductors and one capacitor, highlights the basic configuration of a pi-network. This network is named for its resemblance to the Greek letter Pi (π), with two capacitors on either side of an inductor (or vice versa), forming a pathway for RF signals.
The pi-network is particularly valued for its ability to provide impedance transformation and filtering within a compact circuit. Its design allows for efficient power transfer and impedance matching, which is essential in many ham radio applications. Understanding how a pi-network functions and its role in RF circuits is crucial for amateur radio operators, especially those involved in designing and troubleshooting their equipment.
Parallels:
ing) of water (RF signals) through the system. This setup ensures an efficient and controlled flow, analogous to how a pi-network manages RF signals for optimal performance in radio circuits.
Question A-007-001-006 delves into the transformation capabilities of different network types, with the correct answer, A. Pi-network, indicating the pi-network’s superior ability in this regard. Pi-networks are particularly adept at providing a high transformation ratio, making them ideal for situations where a significant impedance mismatch needs to be addressed. This capability is due to their unique configuration, which allows for a wide range of adjustment in impedance values.
The pi-network’s versatility in impedance transformation is crucial in amateur radio, especially in complex setups where antennas and transmitters may have widely differing impedance values. The ability of a pi-network to efficiently bridge these differences ensures optimal power transfer and minimizes signal loss, which is key to effective communication and operation in ham radio.
Parallels:
Question A-007-001-007 addresses the limited utility of L-networks in impedance matching. The correct answer, A. It matches only a small impedance range, points out the primary limitation of L-networks. While L-networks are simple and effective in certain scenarios, their ability to match impedance is confined to a relatively narrow range. This is due to their basic configuration, typically consisting of a single inductor and a single capacitor, which does not allow for as wide a range of impedance transformation as more complex networks.
The limitation in impedance matching range means that L-networks are not suitable for all antenna types or conditions, especially those with significant impedance mismatches. Amateur radio operators need to understand these limitations to choose the appropriate type of network for their specific needs, ensuring efficient operation and optimal performance of their radio equipment.

Parallels:
Question A-007-001-008 explores how networks transform one impedance to another. The correct answer, A. It cancels the reactive part of an impedance and changes the resistive part, sheds light on the fundamental mechanism behind impedance transformation in networks. Networks achieve impedance matching by balancing the reactive (inductive or capacitive) elements and adjusting the resistive components. This process is crucial for ensuring efficient power transfer between the radio transmitter and antenna.
The ability to cancel the reactive part and modify the resistive part of an impedance is essential in a wide range of radio frequency applications. This transformation is key to minimizing reflections and maximizing power transmission through the antenna system, which directly impacts the effectiveness and range of radio communication.
Parallels:
the reactive part and the modification of the resistive part are crucial for effective impedance matching. 3. Efficient Power Transfer: This transformation is essential for minimizing signal reflections and maximizing power transmission, leading to more efficient radio communication.
Question A-007-001-009 delves into the advantages of using a pi-L network over a pi-network for impedance matching between a vacuum tube linear amplifier and a multiband antenna. The correct answer, D. Greater harmonic suppression, highlights the pi-L network’s enhanced capability in suppressing unwanted harmonic frequencies. This feature is particularly crucial when operating a linear amplifier with a multiband antenna, as it helps in reducing interference and maintaining a clean signal output.
The pi-L network adds an additional inductor to the traditional pi-network configuration, which significantly improves its ability to suppress harmonics. This makes the pi-L network a preferred choice in setups where maintaining signal purity is critical, such as in amateur radio stations that operate across multiple bands and need to minimize interference.
Parallels:
Question A-007-001-010 addresses which type of network provides the greatest harmonic suppression. The correct answer, D. Pi-L network, underscores the Pi-L network’s superior capability in this area. This is particularly important in amateur radio, where harmonic suppression can be critical for preventing interference and ensuring compliance with regulatory standards.
The Pi-L network achieves this superior harmonic suppression through its additional inductor, which acts as a filter for higher frequency harmonics. This makes it especially suitable for use in linear amplifiers and other applications where reducing spurious emissions and maintaining a clean signal is of utmost importance.
Parallels:
the purification process, analogous to the Pi-L network’s ability to more effectively filter out unwanted harmonic frequencies, resulting in a cleaner and more precise output.
Question A-007-001-011 explores the utility of a Smith Chart in amateur radio applications. The correct answer, B. because it simplifies mathematical operations, highlights the Smith Chart’s specific role in RF engineering. A Smith Chart is a graphical tool used to solve problems related to impedance matching and transmission lines. It simplifies the complex calculations involved in dealing with RF circuits, making it an invaluable resource for amateur radio operators and engineers.
The Smith Chart allows for a visual representation of complex impedances and their transformations, facilitating easier analysis and design of transmission lines and matching networks. Its ability to provide a quick and intuitive understanding of these concepts is particularly beneficial in the complex world of RF engineering, where precision and efficiency are key.

Parallels:
This chapter has provided a thorough exploration of antenna tuners and impedance matching circuits, fundamental elements in amateur radio that ensure the efficient transfer of power from transmitters to antennas. Beginning with an overview of various antenna tuners, the chapter dissected the unique characteristics and applications of transformer-type, series-type, L-type, and Pi-type tuners. Understanding these distinctions is critical for selecting the appropriate tuner for specific impedance matching requirements in different radio setups.
The chapter also delved deeply into impedance matching networks, emphasizing the pi-network and the pi-L network. These networks play a vital role in transforming impedance levels for maximal efficiency in power transmission. The pi-network, known for its versatility, was contrasted with the pi-L network, which offers enhanced harmonic suppression, illustrating the nuances and advantages of each in various amateur radio applications. Additionally, the importance of the Smith Chart in RF engineering was highlighted, underscoring its utility in simplifying the complex calculations involved in impedance matching and transmission line problems.
Through this comprehensive exploration, the chapter aimed to equip amateur radio operators, particularly those advancing towards an Advanced Licence qualification, with the essential knowledge and skills to effectively manage and optimize their radio systems for superior performance.
© Hamshack.ca. All lesson content, diagrams, and quizzes are proprietary and protected by copyright. Access is for personal use only and requires a valid course purchase where applicable. Copying, sharing, or redistributing any material is strictly prohibited. Embedded third-party videos are provided for educational reference only and remain the property of their respective creators and platforms.
See the Hamshack.ca Terms of Use for full details.